NCC 2022 Volume One - Building Code of Australia Class 2 to 9 buildings
Classification
Building class 1a Building class 1b Building class 2 Building class 3 Building class 4 Building class 5 Building class 6 Building class 7a Building class 7b Building class 8 Building class 9a Building class 9b Building class 9c Building class 10a Building class 10b Building class 10c

Filter

Classification
Building class 1a Building class 1b Building class 2 Building class 3 Building class 4 Building class 5 Building class 6 Building class 7a Building class 7b Building class 8 Building class 9a Building class 9b Building class 9c Building class 10a Building class 10b Building class 10c

C4

Part C4 Protection of openings

Part C4 Protection of openings

Introduction to this Part

This Part contains Deemed-to-Satisfy Provisions for Part C1. It covers the protection of openings such as windows, doors, services and construction joints to reduce the risk of fire spread within or between buildings.

Deemed-to-Satisfy Provisions

(1) Where a Deemed-to-Satisfy Solution is proposed, Performance Requirements C1P1 to C1P9 are satisfied by complying with—

  1. C2D2 to C2D15, C3D2 to C3D15 and C4D2 to C4D17; and
  2. in a building containing an atrium, Part G3; and
  3. for a building containing an occupiable outdoor area, Part G6; and
  4. for additional requirements for Class 9b buildings, Part I1; and
  5. for farm sheds, Part I3.

(2) Where a Performance Solution is proposed, the relevant Performance Requirements must be determined in accordance with A2G2(3) and A2G4(3) as applicable.

To clarify that the requirements of C1P1 to C1P9 will be satisfied if the building complies with Parts C2, C3 and C4, and Parts G3, I1 and I3, if applicable

C4D1 Deemed-to-Satisfy Provisions

See Deemed-to-Satisfy Provisions for Part C2. The same applies here.

(1) The Deemed-to-Satisfy Provisions of this Part do not apply to the following:

  1. Control joints, weep holes and the like in external walls of masonry construction and joints between panels in external walls of pre-cast concrete panel construction if, in all cases they are not larger than necessary for the purpose.
  2. Non-combustible ventilators for subfloor or cavity ventilation, if each does not exceed 45 000 mm2 in face area and is spaced not less than 2 m from any other ventilator in the same wall.
  3. Openings in the vertical plane formed between building elements at the construction edge or perimeter of a balcony or verandah, colonnade, terrace, or the like.
  4. In a carpark floor other than a floor that separates a part not used as a carpark, and subject to (e), the following openings in a carpark floor:
    1. Service penetrations.
    2. Openings formed by a vehicle ramp.
  5. The requirements of (d) only apply where the connected carpark levels comply as a single fire compartment for the purposes of all other requirements of the Deemed-to-Satisfy Provisions of Sections C, D and E.

(2) For the purposes of the Deemed-to-Satisfy Provisions of this Part, openings in building elements required to be fire-resisting include doorways, windows (including any associated fanlight), infill panels and fixed or openable glazed areas that do not have the required FRL.

(3) For the purposes of the Deemed-to-Satisfy Provisions of this Part, openings, other than those covered under (1)(c), between building elements such as columns, beams and the like, in the plane formed at the construction edge or perimeter of the building, are deemed to be openings in an external wall.

To clarify which openings must comply with the Deemed-to-Satisfy Provisions of Part C4.

C4D2 Application of Part

Openings listed in C4D2(1) need not comply with the Deemed-to-Satisfy Provisions of Part C4.

However, for the purposes of C4D2(1)(d) and (e) multiple storeys within a carpark connected by openings formed by a vehicle ramp are considered to be within the same fire compartment and therefore sprinkler protection may be required under E1D9.

Openings listed in C4D2(2) and (3) must comply with the relevant Part C4 Deemed-to-Satisfy Provisions.

(1) Subject to (2), openings in an external wall that is required to have an FRL must be protected in accordance with C4D5, and if wall-wetting sprinklers are used, they must be located externally.

(2) The requirements of (1) only apply if the distance between the opening and the fire-source feature to which it is exposed is less than—

  1. 3 m from a side or rear boundary of the allotment; or
  2. 6 m from the far boundary of a road, river, lake or the like adjoining the allotment, if not located in a storey at or near ground level; or
  3. 6 m from another building on the allotment that is not Class 10.

(3) Openings required to be protected under (1), must not occupy more than 1/3 of the area of the external wall of the storey in which they are located unless they are in a Class 9b building used as an open spectator stand.

To require any opening in external walls to be protected, only where the wall is required to have an FRL, to prevent the spread of fire from the boundary of an adjoining allotment, or one building to another building on the same allotment.

C4D3 Protection of openings in external walls

C4D3 applies to all Class 2–9 buildings, even those protected by a sprinkler system. The provisions only apply to openings which are exposed to a fire source feature (i.e. an allotment boundary or another building on the same allotment) and which are located in an external wall required to have an FRL (see Figure C4D3).

Any openings in the external walls of buildings separated by fire walls must comply with C4D3 In this case, each building is a fire-source feature to the other building (see Figure C4D3).

Protection of openings

Openings in an external wall must be protected if within 3 metres of a side or rear boundary (see C4D3(2)(a)). Or, under C4D3(2)(b), if they are within 6 metres of the far boundary of an adjoining road, etc, if the opening is located in a storey above, or a reasonable distance from ground level. Openings must also be protected if they are within 6 metres of another non-Class 10 building on the allotment (see C4D3(2)(c)).

In regards to the protection of openings under C4D3(2)(b), an assessment is required to determine a “reasonable” distance from ground level, on a case by case basis. Discussions with the appropriate authority may be required in this regard.

Under C4D3(3), openings in an external wall must be limited to the size specified if the openings are required to be protected under C4D3(1). This is unless the openings are in a Class 9b open spectator stand.

Figure C4D3: Plan showing when C4D3 requires protection of openings in an external wall required to have an FRL

Image
Figure C4D3: Plan showing when C4D3 requires protection of openings in an external wall required to have an FRL

The distance between parts of external walls and any openings within them in different fire compartments separated by a fire wall must not be less than that set out in Table C4D4, unless—

  1. those parts of each wall have an FRL not less than 60/60/60; and
  2. any openings are protected in accordance with C4D5.
Table C4D4 Distance between external walls and associated openings in different fire compartments
Angle between walls Minimum distance (m)
0° (walls opposite) 6
more than 0° to 45° 5
more than 45° to 90° 4
more than 90° to 135° 3
more than 135° to less than 180° 2
180° or more Nil

To limit the spread of fire between fire compartments through external walls and the openings in them.

C4D4 Separation of external walls and associated openings in different fire compartments

Figure C4D4 illustrates the use of Table C4D4.

When the walls are at an angle of 180º or greater, the distance betweenthem may be zero because the effects of radiant heat between the walls is negligible. In practice, the distance between such walls is likely to equal the width of the fire wall.

Sole-occupancy units in Class 2 and Class 3 buildings are not fire compartments to which C4D4 applies.

C4D4 applies to both external walls. It does not apply to fire walls separating fire compartments. (A fire wall is not always an internal wall. See Figure C3D8c of this Guide).

Figure C4D4: Plan showing illustration of Table C4D4

Image
Figure C4D4: Plan showing illustration of Table C4D4
Image
Figure C4D4: Plan showing illustration of Table C4D4

(1) Where protection is required, doorways, windows and other openings must be protected as follows:

  1. Doorways—
    1. internal or external wall-wetting sprinklers as appropriate used with doors that are self-closing or automatic closing; or
    2. –/60/30 fire doors that are self-closing or automatic closing.
  2. Windows
    1. internal or external wall-wetting sprinklers as appropriate used with windows that are automatic closing or permanently fixed in the closed position; or
    2. –/60/– fire windows that are automatic closing or permanently fixed in the closed position; or
    3. –/60/– automatic closing fire shutters.
  3. Other openings—
    1. excluding voids — internal or external wall-wetting sprinklers, as appropriate; or
    2. construction having an FRL not less than –/60/–.

(2) Fire doors, fire windows and fire shutters must comply with Specification 12.

To set out acceptable methods of protection required for different types of openings in a building.

C4D5 Acceptable methods of protection

C4D5(1) applies where protection is required to doorways, windows and other openings. C4D5(2) requires fire doors, fire windows and fire shutters to comply with Specification 12.

C4D5 is referred to by a number of the BCA’s Deemed-to-Satisfy Provisions. Some of these provisions will specify whether or not a required sprinkler system must be internal or external. Where external wall wetting sprinklers are proposed, it may be designed using AS 2118.2, even though that Australian Standard is not referenced in the BCA. Please note that there are certain limitations that apply to AS 2118.2, such as the types of glazing applicable and location of sprinkler heads.

Examples

Examples of the references to C4D5 in the other Deemed-to-Satisfy Provisions include the following:

  • C4D3 refers to C4D5 for the protection required for openings in the external walls of a building located close to a fire-source feature.
  • C4D4 allows the distance between openings in the external walls of a fire compartment to be closer than allowed by Table C4D4 if they are protected in accordance with C4D5.
  • C4D9 requires the protection of certain window openings in fire-isolated exits.
  • D2D12(3)(a)(ii), regarding travel from an exit point of discharge within 6 metres of an opening in an external wall.
  • D2D13, regarding travel past openings within 6 metres of an external stairway.
  • C4D12(9)(c)(i) requires the protection of certain windows in bounding walls of Class 2 and 3 buildings and Class 4 parts as an option.

C4D5(1)(a) clarifies that wall-wetting sprinklers are only to be used with doors that are self-closing or automatic closing.

C4D5(1)(b) clarifies that wall-wetting sprinklers are only to be used with automatic closing windows or permanently closed windows.

For openings other than doorways or windows, C4D5(1)(c)(i) clarifies that internal or external wall-wetting sprinklers are not recognised as an acceptable method of protection for voids under the Deemed-to-Satisfy Provisions. Conventional wall-wetting sprinklers need a medium or surface to act on. An opening consisting of a void does not provide such a medium or surface.

(1) The aggregate width of openings for doorways in a fire wall, which are not part of a horizontal exit, must not exceed ½ of the length of the fire wall, and each doorway must be protected by—

  1. 2 fire doors or fire shutters, one on each side of the doorway, each of which has an FRL of not less than ½ that required by Specification 5 for the fire wall except that each door or shutter must have an insulation level of at least 30; or
  2. a fire door on one side and a fire shutter on the other side of the doorway, each of which complies with (a); or
  3. a single fire door or fire shutter which has an FRL of not less than that required by Specification 5 for the fire wall except that each door or shutter must have an insulation level of at least 30.

(2) A fire door or fire shutter required by (1)(a), (b) or (c) must be self-closing, or automatic closing in accordance with (3) and (4).

(3) The automatic closing operation required by (2) must be initiated by the activation of a smoke detector, or any other detector deemed suitable in accordance with AS 1670.1 if smoke detectors are unsuitable in the atmosphere, installed in accordance with the relevant provisions of AS 1670.1 and located on each side of the fire wall not more than 1.5 m horizontal distance from the opening.

(4) Where any other required suitable fire alarm system, including a sprinkler system (other than a FPAA101D system) complying with Specification 17, is installed in the building, activation of the system in either fire compartment separated by the fire wall must also initiate the automatic closing operation.

To maintain the integrity of fire walls by limiting the spread of fire through doorways.

C4D6 Doorways in fire walls

If the opening in the fire wall is for a horizontal exit, refer to C4D8.

When a doorwayis installed in a fire wall, to achieve the same fire separation as the wall, C4D6(1) allows the use of:

  • two fire doors, one on each side of the doorway;
  • two fire shutters, one on each side of the doorway;
  • one fire door and one fire shutter, one on each side of the doorway;
  • a single fire door; or
  • a single fire shutter.

(See C4D6(1)(a), C4D6(1)(b)and C4D6(1)(c))

In each option, the single fire door or shutter, or any of the combinations of the two, must have the same fire-resistance level (FRL) as the fire wall. (This is except for the insulation criterion, which must be at least 30 minutes)

When determining the required FRL of the fire door or shutter, Clause S1C6 of Specification 1 states that non-loadbearing elements need not comply with the structural adequacy criterion. A fire door or shutter is normally regarded as a non- loadbearing element.

Examples

Consider the case of a fire wall required to have an FRL of 240/240/240. After taking into account the concession allowed by S1C6C4D6 allows any doorway in that wall to be protected by:

  • two –/120/30 fire doors, one on each side of the doorway;
  • two –/120/30 fire shutters, one on each side of the doorway;
  • a –/120/30 fire door and a –/120/30shutter door, one on each side of the doorway;
  • a single –/240/30fire door; or
  • a single –/240/30fire shutter.

Closure of fire doors and shutters

C4D6(2) states that any fire door or shutter required under C4D6(1) must be either self-closing or automatic-closing. If automatic closing, it must be initiated by smoke detectors, or (in specified circumstances) any other detector deemed suitable in accordance with AS 1670.1(see C4D6(3)). It is important that the detector used is suitable for the location and type of fire likely to occur. The suitability of detectors can be determined by reference to AS 1670.1. These detectors must also be in accord with the relevant provisions of AS 1670.1, and located as specified in C4D6(3).

Under C4D6(4), the activation of any other required suitable fire alarm system (including a complying sprinkler system), in either of the fire compartments separated by the fire wall, must operate the automatic closing of the fire door or shutter.

Asmoke detector can give false alarms if the atmosphere contains particles such as steam or other vapours that obscure vision (e.g. kitchens, carparks, etc). If a smoke detector is likely to give a false alarm due to the atmospheric conditions, then a heat detector should be used to comply with C4D6(3).

Figure C4D6 illustrates the requirements of C4D6.

Figure C4D6: Plan illustrating automatic fire doors or automatic fire shutters installed in an opening in a fire wall in accordance with C4D6

Image
Figure C4D6: Plan illustrating automatic fire doors or automatic fire shutters installed in an opening in a fire wall in accordance with C4D6

(1) If a doorway in a fire wall is fitted with a sliding fire door which is open when the building is in use—

  1. it must be held open with an electromagnetic device, which when de-activated in accordance with (2) and (3), allows the door to be fully closed in not less than 20 seconds and not more than 30 seconds after release; and
  2. in the event of power failure to the door — the door must fail safe in the closed position in accordance with (a); and
  3. an audible warning device must be located near the doorway and a red flashing warning light of adequate intensity on each side of the doorway must be activated in accordance with (2) and (3); and
  4. signs must be installed on each side of the doorway located directly over the opening stating, in capital letters not less than 50 mm high in a colour contrasting with the background:
    WARNING — SLIDING FIRE DOOR

(2) The electromagnetic device required by (1)(a) must be de-activated and the warning system activated by heat or smoke detectors, as appropriate, installed in accordance with AS 1905.1 and the relevant provisions of AS 1670.1.

(3) Where any other required suitable fire alarm system, including a sprinkler system (other than a FPAA101D system) complying with Specification 17, is installed in the building, activation in either fire compartment separated by the fire wall must also de-activate the electromagnetic device and activate the warning system.

To avoid danger to occupants caused by the automatic closing of a sliding fire door.

C4D7 Sliding fire doors

It is an acceptable and frequently used option to protect an opening in a fire wall by a sliding fire door held open by an electromagnetic device. However, sliding fire doors tend to be quite large and heavy, presenting a potential danger to occupants passing through while it is closing. To reduce the danger to building occupants the rate of the door’s closing is limited and must be by the deactivation of an electromagnetic device (see C4D7(1)(a)).

In the event of a power failure, the electromagnetic device must also fail-safe so that the door closes thereby maintaining the integrity of the fire wall (see C4D7(1)(b)).

Warning lights and signs are required to be installed on each side of the door by C4D7(1)(c) and (d) to indicate the presence and operation of the fire door. C4D7(2) and C4D7(3) requires the electromagnetic device to deactivate and the warning system to operate when there is a fire in a fire compartment on either side of the fire wall. This process must be activated by either smoke detectors or heat detectors (in specific circumstances) installed in accordance with the relevant provisions of AS/NZS 1905.1 and AS 1670.1 (see C4D7(2)).

The activation of any other required suitable fire alarm system (including a complying sprinkler system) in either of the fire compartments must also cause the automatic closing of the fire door (see C4D7(3)).

A smoke detector can give false alarms (see comments on C4D6). Heat detectors complying with C4D7(2) should be used in these circumstances.

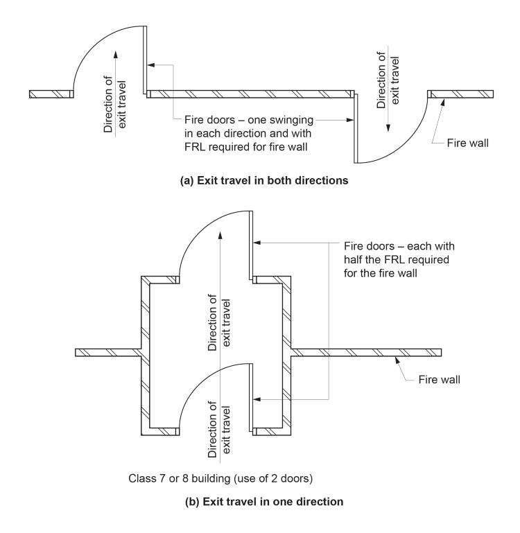
(1) A doorway that is part of a horizontal exit must be protected by either—

  1. a single fire door that has an FRL of not less than that required by Specification 5 for the fire wall except that the door must have an insulation level of at least 30; or
  2. in a Class 7 or 8 building — 2 fire doors, one on each side of the doorway, each with an FRL of not less than ½ that required by Specification 5 for the fire wall except that each door must have an insulation level of at least 30.

(2) Each door required by (1) must be self-closing, or automatic-closing in accordance with the following:

  1. The automatic-closing operation must be initiated by the activation of a smoke detector, or any other detector deemed suitable in accordance with AS 1670.1 if smoke detectors are unsuitable in the atmosphere, installed in accordance with the relevant provisions of AS 1670.1 and located on each side of the fire wall not more than 1.5 m horizontal distance from the opening.
  2. Where any other required suitable fire alarm system, including a sprinkler system (other than a FPAA101D system) complying with Specification 17, is installed in the building, activation of the system in either fire compartment separated by the fire wall must also initiate the automatic-closing operation.

To provide occupants using a horizontal exit with the same protection as those using a fire-isolated exit.

C4D8 Protection of doorways in horizontal exits

Type of doors permissible

The use of fire shutters are prohibited in a horizontal exit by D3D24(2)(b). Similarly, D3D24(2)(c) does not permit sliding doors to be used as horizontal exits.

There are some concessions to these prohibitions (see D3D24).

The fire doors used for horizontal exits, as referred to in C4D8, must swing in the direction of travel (as required by D3D25).

If the horizontal exit applies in both directions (i.e. the doorway may be used to escape from either fire compartment to the other), the installation of two doors may be necessary (see Figure C4D8).

Buildings other than Class 7 and 8

Unless it is located in a Class 7 or Class 8 building, a doorway which is part of a horizontal exit must be protected by a single fire door complying with C4D8(1)(a).

Two fire doors in Class 7 and 8

The reason for allowing two fire doors to be installed in a doorway in Class 7 and Class 8 buildings is because single fire doors with the required fire-resistance level (FRL) are heavy and difficult to open. In combination, the two fire doors must achieve an equivalent FRL to the fire wall.

If two fire doors are installed in a doorway in a Class 7 or Class 8 building, it may be necessary to install a small lobby to allow for the swing of the doors (see Figure C4D8).

C4D8(2) has the same requirements for fire doors as C4D6 Refer to the comments made in C4D6 for application to C4D8(1).

Figure C4D8: Plans showing horizontal exits in a fire wall

Image
Figure C4D8: Plans showing horizontal exits in a fire wall

(1) Doorways that open to fire-isolated stairways, fire-isolated passageways or fire-isolated ramps, and are not doorways opening to a road or open space, must be protected by –/60/30 fire doors that are self-closing, or automatic closing in accordance with (2) and (3).

(2) The automatic-closing operation required by (1) must be initiated by the activation of a smoke detector, or any other detector deemed suitable in accordance with AS 1670.1 if smoke detectors are unsuitable in the atmosphere, installed in accordance with the relevant provisions of AS 1670.1 and located not more than 1.5 m horizontal distance from the approach side of the doorway.

(3) Where any other required suitable fire alarm system, including a sprinkler system (other than a FPAA101D system) complying with Specification 17, is installed in the building, activation of the system must also initiate the automatic-closing operation.

(4) A window in an external wall of a fire-isolated stairway, fire-isolated passageway or fire-isolated ramp must be protected in accordance with C4D5 if it is within 6 m of, and exposed to, a window or other opening in a wall of the same building, other than in the same fire-isolated enclosure.

To maintain the integrity of a fire-isolated exit and to protect people using fire-isolated exits by providing adequately protected door and window openings.

C4D9 Openings in fire-isolated exits

Doorways

Any doorway leading into a fire-isolated exit is a possible source of fire and/or smoke spreading into that exit. The spread of fire or smoke into a fire-isolated exit is dangerous.

It is therefore important that such doorways are protected by fire doors. These fire doors must be self-closing (see C4D9(1)) or automatic-closing initiated by smoke detectors or (in specified circumstances) heat detectors (see C4D9(2)).

C4D9 has the same requirements for fire doors or shutters as C4D6 Refer to the comments made in C4D6 for application here.

C4D9 does not apply to a doorway leading from a fire-isolated exit to a road or open space, because failure of such a doorway is not affected by a fire in the building. However, note that such a doorway may require protection to comply with C4D3.

Windows

C4D9(4) only applies to a window which could expose an evacuating person or fire fighter to radiant heat from a fire in the building. Therefore, C4D9(4) does not apply to a window exposed to another window within the same fire-isolated exit.

If a sprinkler system is chosen as the means of protection in accordance with C4D5, the sprinkler heads must be located on the side of the window outside the exit.

A window subject to the requirements of C4D9(4) may also require protection from an external fire to comply with C4D3.

Fire-isolated exits must not be penetrated by any services other than—

  1. electrical wiring permitted by D3D8(6) to be installed within the exit; or
  2. ducting associated with a pressurisation system if it—
    1. is constructed of material having an FRL of not less than –/120/60 where it passes through any other part of the building; and
    2. does not open into any other part of the building; or
  3. for fire services, water supply and test drain pipes.

To maintain the integrity of a fire-isolated exit and to protect the people using them by providing protection to service penetrations.

C4D10 Service penetrations in fire-isolated exits

C4D10 minimises the number of service penetrations into a fire-isolated exit by only allowing the services specified. Each of the services listed in C4D10(a) and (b) is essential to maintain a safe environment within the fire-isolated enclosure.

Under C4D10(c), the water supply for fire-fighting may be located within a fire-isolated exit. Hydrants located within a fire- isolated enclosure allow the fire brigade to set up their hoses and other equipment in a protected area before attacking the fire.

The location of any service penetrations into the fire-isolated exit permitted by C4D10 must not reduce the exit width required by D2D8.

C4D10 should be read in conjunction with D3D8, which deals more generally with installations in exits and paths of travel.

(1) Doorways — If a lift shaft is required to be fire-isolated, an entrance doorway to that shaft must be protected by –/60/– fire doors that—

  1. comply with AS 1735.11; and
  2. are set to remain closed except when discharging or receiving passengers, goods or vehicles.

(2) Lift indicator panels — A lift call panel, indicator panel or other panel in the wall of a fire-isolated lift shaft must be backed by construction having an FRL of not less than –/60/60 if it exceeds 35 000 mm2 in area.

To maintain the integrity of a fire-isolated lift shaft and to limit the spread of fire from one floor of a building to another floor by way of a lift shaft.

C4D11 Openings in fire-isolated lift shafts

Any doorway leading into a fire-isolated lift shaft could assist the spread of fire. Any spread of fire into the shaft could endanger the lives and safety of the people using the lift, and lead to the spread of fire to another part of the building.

Therefore, it is important that such doorways be protected by fire doors.

AS 1530.4 (the Australian Standard for the Standard Fire Test) requires lift landing doors to be tested for integrity. Such doors are usually of metal construction, and are not required to satisfy any insulation criteria.

Lift indicator panels in excess of 35 000 mm2 are considered to represent a sufficient risk of spreading fire into a lift shaft. Indicator panels exceeding this size require backing by material having a fire-resistance level (FRL) of –/60/60.

Small panels of 35 000 mm2 or less are unlikely to lead to the spread of fire into the shaft. This exemption is similar in principle to those allowedby C4D2 for minor openings such as control joints, weep holes, subfloor ventilators and the like.

(1) A doorway in a Class 2 or 3 building must be protected if it provides access from a sole-occupancy unit to—

  1. a public corridor, public lobby, or the like; or
  2. a room not within a sole-occupancy unit; or
  3. the landing of an internal non fire-isolated stairway that serves as a required exit; or
  4. another sole-occupancy unit.

(2) A doorway in a Class 2 or 3 building must be protected if it provides access from a room not within a sole-occupancy unit to—

  1. a public corridor, public lobby, or the like; or
  2. the landing of an internal non fire-isolated stairway that serves as a required exit.

(3) A doorway in a Class 4 part of a building must be protected if it provides access to any other internal part of the building.

(4) Except as provided in (5), protection for a doorway must be at least—

  1. in a building of Type A construction — a self-closing –/60/30 fire door; and
  2. in a building of Type B or C construction — a self-closing, tight fitting, solid core door, not less than 35 mm thick.

NSW C4D12 Bounding construction: Class 2 and 3 buildings and Class 4 parts2019: C3.11

Delete subclause C4D12(4) and insert C4D12(4) as follows:

(4) Except as provided for in NSW C4D12(5), protection for a doorway required under (1), (2) or (3) must be at least—

  1. in a building of Type A construction — a self-closing –/60/30 fire door; and
  2. in a building of Type B or C construction — a self-closing, tight fitting, solid core door not less than 35 mm thick.

(5) In a Class 3 building used as a residential care building protected with a sprinkler system complying with Specification 17, protection for a doorway must be at least—

  1. a tight fitting, solid core door not less than 35 mm thick if the building is divided into floor areas not exceeding 500 m2 with smoke proof walls complying with S11C2; or
  2. a tight fitting, solid core door not less than 35 mm thick fitted with a self-closing device, a delayed closing device or an automatic closing device.

NSW C4D12 Bounding construction: Class 2 and 3 buildings and Class 4 parts2019: C3.11

Delete subclause C4D12(5) and insert C4D12(5) as follows:

(5) In a Class 3 building used as a residential care building protected with a sprinkler system complying with Specification 17, protection for a doorway must be at least a tight fitting solid core door not less than 35 mm thick that is—

  1. self-closing; or
  2. fitted with a free-arm action closing device which closes the door or causes the door to remain closed (without preventing manual re-opening), upon the detection of smoke caused by a smoke detector located within the room.

(6) Other openings in internal walls which are required to have an FRL with respect to integrity and insulation must not reduce the fire-resisting performance of the wall.

(7) A door required by (4) or (5) may be automatic-closing in accordance with the following:

  1. The automatic-closing operation must be initiated by the activation of a smoke detector, or any other detector deemed suitable in accordance with AS 1670.1 if smoke detectors are unsuitable in the atmosphere, installed in accordance with the relevant provisions of AS 1670.1 and located not more than 1.5 m horizontal distance from the approach side of the doorway.
  2. Where any other required suitable fire alarm system, including a sprinkler system (other than a FPAA101D system) complying with Specification 17, is installed in the building, activation of the system must also initiate the automatic-closing operation.

(8) The requirements of (9) apply in a Class 2 or 3 building where a path of travel to an exit

  1. does not provide a person seeking egress with a choice of travel in different directions to alternative exits; and
  2. is along an open balcony, landing or the like; and
  3. passes an external wall of—
    1. another sole-occupancy unit; or
    2. a room not within a sole-occupancy unit.

(9) The external wall mentioned in (8)(c) must—

  1. be constructed of concrete or masonry, or be lined internally with a fire-protective covering; and
  2. have any doorway fitted with a self-closing, tight-fitting solid core door not less than 35 mm thick; and
  3. have any windows or other openings—
    1. protected internally in accordance with C4D5; or
    2. located at least 1.5 m above the floor of the balcony, landing or the like.

NSW C4D12 Bounding construction: Class 2 and 3 buildings and Class 4 parts2019: C3.11

Insert NSW subclause C4D12(10) in clause C4D12 as follows:

(10) In a Class 9b building used as an entertainment venue, openings in construction required to separate one space from another must be protected in accordance with C4D5.

To maintain the performance of a wall bounding any sole-occupancy unit or public corridor in Class 2 or Class 3 buildings; and any sole-occupancy unit in a Class 4 part.

C4D12 Bounding construction: Class 2 and 3 buildings and Class 4 parts

Protection of doorways

To maintain the fire performance of walls surrounding a sole-occupancy unit and corridors used as egress routes in Class 2 and Class 3 buildings, C4D12(1) and (2) requires the following doorways to be protected:

  • between sole-occupancy units and any public corridor, public hallway or the like (see C4D12(1)(a));
  • between sole-occupancy units and any room not within a sole-occupancy unit, such as a common laundry, common sitting room and the like (see C4D12(1)(b));
  • between sole-occupancy units and any landing of an internal, non-fire-isolated stair serving as a required exit (see C4D12(1)(c));
  • between sole-occupancy units (see C4D12(1)(d));
  • between a room not in a sole-occupancy unit (such as a common laundry, common sitting room and the like) and any public corridor, public hallway or the like (see C4D12(2)(a)); and
  • between a room not in a sole-occupancy unit (such as a common laundry, common sitting room and the like) and any landing of an internal, non-fire-isolated stair serving as a required exit (see C4D12(2)(b)).

To maintain the fire performance of walls surrounding a sole-occupancy unit in a Class 4 part of a building, C4D12(3) requires the doorways to the unit to be protected.

Fire protection required for doorways

The degree of fire protection requiredby C4D12(4) for doorways to sole-occupancy units in Class 2 and Class3 buildings and Class 4 parts is dependant upon the types of construction.

C4D12(4)(a) applies to all Class 2 and Class 3 buildings and Class 4 parts in buildings of Type A construction, except those Class 3 buildings specified in C4D12(5).

C4D12(4)(b) applies to all Class 2 and Class 3 buildings and Class 4 parts in buildings of Type B or Type C construction, except those Class 3 buildings specified in C5D12(5).

C4D12(5)(a) or (b) only applies to Class 3 residential care buildings fitted with a sprinkler system complying with Specification 17. A Class 3 residential aged care building that does not meet these requirements, must comply with C4D12(4)(a) or (b) as applicable.

C4D12(4)(b) requires that the door be self-closing to make sure that the door is closed during a fire. The requirement for such doors to be self-closing does not apply to a Class 3 residential aged care building which meets the requirements of C4D12(5)(a).

Openings other than doorways

Under C4D12(6), openings other than doorways in internal walls which are required to have a fire-resistance level (FRL) for integrity and insulation are permitted only if they do not lower the wall’s fire-resisting performance.

Automatically closingdoors

Doors required by C4D12(4) and (5) may be automatic-closing, initiated by smoke detectors or (in specified circumstances) any other detector deemed suitable in accordance with AS 1670.1 (see C4D12(7)(a)). The suitability of detectors can be determined by reference to AS 1670.1. Refer to C4D6 for door operation requirements as they apply to doors under C4D12.

Path of travel to an exit

C4D12(8) and (9) applies in a Class 2 or Class 3 building only, where a path of travelis along an open balcony, landing or the like and it does not provide a person evacuating with a choice of travel in different directions to alternative exits. If this path of travel passes an external wall of another sole-occupancy unit (see C4D12(8)(c)(i)) or a room which is not within a sole-occupancy unit (see C4D12(8)(c)(ii)), the external wall must be constructed in accordance with C4D12(9)(a), have any doorways protected in accordance with C4D12(9)(b), and any window or other openings protected in accordance with C4D12(9)(c)(i) or (ii).

The reason for the above construction is to provide building occupants trying to evacuate with protection from radiant heat and flames whilst passing the unit that is on fire.

(1) Where a service passes through—

  1. a floor that is required to have an FRL with respect to integrity and insulation; or
  2. a ceiling required to have a resistance to the incipient spread of fire,

the service must be installed in accordance with (2).

(2) A service must be protected—

  1. in a building of Type A construction, by a shaft complying with Specification 5; or
  2. in a building of Type B or C construction, by a shaft that will not reduce the fire performance of the building elements it penetrates; or
  3. in accordance with C4D15.

(3) Where a service passes through a floor which is required to be protected by a fire-protective covering, the penetration must not reduce the fire performance of the covering.

To limit the spread of fire through service openings in floors and ceilings required to resist the spread of fire.

C4D13 Openings in floors and ceilings for services

C4D13 applies to floors and ceilings in buildings of Type A, B and C construction. 

The performance of a fire resisting element may be compromised if service penetrations are not adequately protected. The method of protection should ensure the fire resisting capabilities of the element being penetrated is maintained. In buildings of Type A construction, the service may be within a fire resisting shaft or protected in accordance with C4D15. In buildings of Type B and C construction the service may be within a shaft that does not reduce the fire resistance of the element it penetrates or it must be protected in accordance with C4D15.

In a building of Type A construction, an opening in a wall providing access to a ventilating, pipe, garbage or other service shaft must be protected by—

  1. if it is in a sanitary compartment — a door or panel which, together with its frame, is non-combustible or has an FRL of not less than –/30/30; or
  2. a self-closing –/60/30 fire door or hopper; or
  3. an access panel having an FRL of not less than –/60/30; or
  4. if the shaft is a garbage shaft — a door or hopper of non-combustible construction.

To maintain the fire performance of the floor by limiting the spread of fire through openings in shafts.

C4D14 Openings in shafts

C4D14 only applies to buildings of Type A construction, because the other types of construction do not require service shaft walls to have a fire-resistance level (FRL).

C4D14 sets out the detail of the protection required in different circumstances to prevent the spread of fire from one floor to another floor by way of a shaft.

(1) The requirements of (2) apply where an electrical, electronic, plumbing, mechanical ventilation, air-conditioning or other service penetrates a building element (other than an external wall or roof) that is required to have an FRL with respect to integrity or insulation or a resistance to the incipient spread of fire.

(2) An installation mentioned in (1) must comply with any one of the following:

  1. Tested systems — the following applies:
    1. The service, building element and any protection method at the penetration—
      1. are identical with a prototype assembly of the service, building element and protection method which has been tested in accordance with AS 4072.1 and AS 1530.4 and has achieved the required FRL or resistance to the incipient spread of fire; or
      2. differ from a prototype assembly of the service, building element and protection method in accordance with Section 4 of AS 4072.1.
    2. It complies with (i) except for the insulation criteria relating to the service if—
      1. the service is a pipe system comprised entirely of metal (excluding pipe seals or the like); and
      2. any combustible building element is not located within 100 mm of the service for a distance of 2 m from the penetration; and
      3. combustible material is not able to be located within 100 mm of the service for a distance of 2 m from the penetration; and
      4. it is not located in a required exit.
    3. The determination of the required FRL must be confirmed in a report from an Accredited Testing Laboratory in accordance with Specifications 1 and 2.
  2. Ventilation and air-conditioning — in the case of ventilating or air-conditioning ducts or equipment, the installation is in accordance with AS 1668.1.
  3. Compliance with Specification 13 — the following applies:
    1. The service is a pipe system comprised entirely of metal (excluding pipe seals or the like) and is installed in accordance with Specification 13 and it—
      1. penetrates a wall, floor or ceiling, but not a ceiling required to have a resistance to the incipient spread of fire; and
      2. connects not more than 2 fire compartments in addition to any fire-resisting service shafts; and
      3. does not contain a flammable or combustible liquid or gas.
    2. The service is sanitary plumbing installed in accordance with Specification 13 and it—
      1. is of metal or UPVC pipe; and
      2. penetrates the floors of a Class 5, 6, 7, 8 or 9b building; and
      3. is in a sanitary compartment separated from other parts of the building by walls with the FRL required by Specification 5 for a stair shaft in the building and a self-closing –/60/30 fire door.
    3. The service is a wire or cable, or a cluster of wires or cables installed in accordance with Specification 13 and it—
      1. penetrates a wall, floor or ceiling, but not a ceiling required to have a resistance to the incipient spread of fire; and
      2. connects not more than 2 fire compartments in addition to any fire-resisting service shafts.
    4. The service is an electrical switch, outlet, or the like, and it is installed in accordance with Specification 13.

To maintain the fire performance of building elements by limiting fire spread by way of service penetrations.

C4D15 Openings for service installations

C4D15 sets out a number of requirements for protection of service openings. These include:

  • The use of tested prototypes in accordance with AS 4072.1and AS 1530.4 (see C4D15(2)(a)).
  • Ventilation and air-conditioning ducts complying with AS 1668.1 (see C4D15(2)(b)).
  • The use of Specification 13 for metal pipes systems (excluding pipe seals or the like), sanitary plumbing, wire or cable, or clusters of wires or cables, electrical switches, or outlets or the like.

C4D15 considers the protection of openings in elements that are providing a barrier to the spread of fire and are thus required to have an FRL. The elements of an FRL that providethe barrier to spread of fire are insulation and integrity and that protecting an opening in an element an FRL for structural adequacy is unnecessary. For this reason, C4D15 only applies to an element required to have an FRL with respect to integrity or insulation.

In addition to complying with C4D15(2), the construction of any fire rated shaft may also need to comply with other Deemed-to-Satisfy provisions, such as S5C8. In some instances, AS 1668.1 may provide a concession for the construction of a shaft or protection of some penetrations in that shaft’s construction. However, the construction of the shaft itself and protection of service penetrations need to be considered together.

Tested systems permitted

C4D15(2)(a)(i) quite clearly permits the use of tested systems. To comply with this Deemed-to-Satisfy Provision it is necessary for the appropriate authority to be satisfied that the proposal is identical to a tested prototype, or varies in accordance with Section 4 of AS 4072.1. AS 1530.4 includes a number of methods of reporting the test results. These include—

  • a test report.
  • a regulatory information report.
  • a test certificate.

Only the test report and regulatory information report contain sufficient information to allow the appropriate authority to be satisfied that the proposal is identical with the tested prototype or differs from the prototype in accordance with AS 4072.1.

It should be noted that the provision only applies to the service where it penetrates the building element. Although AS 4072.1 and AS 1530.4 requires a tested penetration to extend a specified distance beyond the penetration opening for the purpose of carrying out the test, the NCC only requires the building element and the part of the service penetrating that element to be identical with the tested prototype or different from the prototype in accordance with AS 4072.1.

Examples

Consider a service penetration consisting of a plastic pipe passing througha concrete floor to a hand basin. AS 1530.4 requires the tested prototype service pipe to extend 2 m above the floor. However, due to the height of the hand basin above the floor, the pipe is unlikely to extend more than say 800 mm. C4D15(2)(a)(i) allows this configuration provided it is identical to the tested prototype where the service pipe passes through the floor or differs from the prototype in accordance with AS 4072.1.

Variation from tested systemsfor metal piping systems

C4D15(2)(a)(ii) allows a concession from the insulation criteria of a tested prototype specified in C4D15(2)(a)(i). The concession only applies for penetrations by metal piping systems where the service pipe is not located within an exit (see C4D15(2)(a)(ii)(D)) and is at least 100 mm from any combustible building element for a distance of 2 m from the penetration of the building element (see C4D15(2)(a)(ii)(B)). To ensure that fire is not spread via the conduction of heat from the metal pipe, it is important that the service pipe be located so that combustible material cannot be located within 100 mm of the pipe for a distance of 2 m from the penetration (see C4D15(2)(a)(ii)(C)). One method of achieving this would be to place a guard around the pipe.

In the case of a floor waste, it would not be possible to ensure that no combustible material is located within 100 mm of it. Therefore, C4D15(2)(a)(ii) is unlikely to apply to floor wastes.

Approval of other types of penetrations

Specification 13 does not apply to larger diameter electrical cables (i.e. where the opening is larger than those specified in Clause S13C5(b) of 2 000 mm2 or 500 mm2). This does not mean that larger diameter electrical cables cannot be approved under C4D15. Larger diameter electrical cables can be approved under C4D15(2)(a)(i)(A) (i.e. a tested system), C4D15(2)(a)(i)(B) where in accordance with AS 4072.1, or if necessary, as a Performance Solution.

Gas pipes can be approved under C4D15(2)(a)or, if necessary, as a Performance Solution.

(1) Construction joints, spaces and the like in and between building elements required to be fire-resisting with respect to integrity and insulation must be protected in a manner—

  1. identical with a prototype tested in accordance with AS 4072.1 and AS 1530.4 to achieve the required FRL; or
  2. that differs from a prototype in accordance with Section 4 of AS 4072.1 and achieves the required FRL.

(2) The determination of the required FRL must be confirmed in a report from an Accredited Testing Laboratory in accordance with Specifications 1 and 2.

(3) The requirements of (1) do not apply where joints, spaces and the like between fire-protected timber elements are provided with cavity barriers in accordance with Specification 9.

To limit the spread of fire between building elements required to be fire-resisting.

C4D16 Construction joints

To avoid the spread of fire between fire compartments or to another building, construction joints between building elements are normally packed with fire retardant material.

A number of proprietary products are suitable for this purpose, having previously been tested in accordance with AS 1530.4 to demonstrate they have achieved the required fire-resistance level (FRL). The test only needs to record the failure criteria of integrity and insulation. C4D16 does not require structural adequacy criteria to be achieved, as it is not part of the AS 1530.4 test for these types of materials.

A column protected by lightweight construction to achieve an FRL which passes through a building element that is required to have an FRL or a resistance to the incipient spread of fire, must be installed using a method and materials identical with a prototype assembly of the construction which has achieved the required FRL or resistance to the incipient spread of fire.

To prohibit columns with lightweight fire protection from lowering the fire-resistance levels (FRLs) of other building elements.

C4D17 Columns protected with lightweight construction to achieve an FRL

If lightweight fire protection has been inadequately applied to a column, there is an increased risk that the column will transmit heat to another building element (such as a floor or ceiling) through which it passes. The effect is that the column can cause a reduction in the fire-resistance level (FRL) or resistance to the incipient spread of fire of the elements through which it passes. This can result in the spread of fire. To eliminate this potential problem, it is necessary to use a system tested in accordance with AS 1530.4.

NCC Blurbs

Where external stairs, ramps or ladders are used as an exit in a bulk grain storage facility, any window or door opening within 6 m of the stairway or ladder—

  1. must be protected in accordance with C4D5; or
  2. the stairway, ramp or ladder must be enclosed for its full height above the lowest level of the window or door opening with non-combustible construction having an FRL of not less than 60/60/60.
NCC Title
Protection of openings – bulk grain storage facilities
NCC State
SA
NCC Variation Type
Insertion
NCC SPTC Current
Protection of openings – bulk grain storage facilities